-
陈流鹏 黄晓栋 陈 亮
(柳州钢铁股份有限公司炼铁厂)
摘 要 压力控制改为流量控制,实现全程无干扰自动升速控制。
关健词 流量控制 透平机 TRT 高炉顶压 发电量
1 前言
高炉炉顶余压透平发电(TRT)的采用是现代钢铁厂回收能量的技术之一。TRT技术是利用高炉炉顶煤气压力能和热能,通过膨胀透平做功,驱动发电机发电,回收能量的技术。其英文全称为:“top gas pressure Recovery Turbine unit”,缩写为TRT。利用余压透平发电设备就可以将高炉煤气在减压阀组中损失的能量予以回收,是一项很好的能源利用措施。目前,柳钢炼铁厂全部高炉采用了TRT技术。其中,2号高炉TRT装机容量为2万2千kW,目前为广西柳州钢铁股份有限公司最大的一台TRT,运行一段时间后,在自动启机过程发现机组在升速过程中转速不受控制,造成过临界时振动过大。需高炉被迫降低顶压,手动进行升速,影响高炉稳定生产。
2 原静叶压力控制存在问题分析
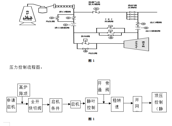
2.1 原静叶压力启动控制:图1

2.2 压力控制启机过程
柳钢2号高炉TRT工艺布置如图1所示,高煤煤气经布袋干法除尘系统后,经入口电动碟阀、入口插板、快切阀后进入透平机做功,快切阀处并接有一个电动均压阀,然后经出口插板阀、出口碟阀进入公司管网。TRT旁通阀在快切阀关闭或透平机静叶未进入顶压控制前具有高炉顶压的跟踪控制调节功能。
TRT未投运前,高炉顶压是由高炉调压阀组控制,准备启机时,将旁通阀设为自动,高炉关小调压阀组后,部分高炉煤气通过旁通阀参与高炉的顶压控制,这部分煤气在机组过临界静叶开大时,旁通阀会自动关闭,从机组通过,高炉顶压受不影响。
机组开机前将快切阀打开,煤气压力到达透平机入口侧,机组的升速过程设置为四个阶段,0-800r/min是以5r/min的速度升速,801-1100r/min是个小临界,以10r/min的速度升速,1101-2300r/min是大临界,以50r/min的速度升速快速通过,2300-3000r/min后以5r/min的速度升速。稳定在3000r/min后,方可进行发电机并网操作。
2.3 存在的问题与分析
在快切阀全开到位后,在静叶全关闭情况下,透平转速已升到900r/min,之前的转速无法控制,机组的振动较大,在过临界时,静叶随转速设定逐渐开大,越过临界后,静叶回关至零,机组转速仍快速上升,需手动打开旁通阀降高炉顶压,达3000r/min后,转速波动大无法稳定,经常导致机组超速飞车。需在开机前高炉提前降低顶压在150kPa左右,过临界后,仍需手动打开旁通阀降高炉顶压,对高炉顶压波动影响较大,影响高炉正常生产。
透平机静叶控制为左、右双伺服油缸,水平往复移动静叶带动静叶导向圈体来调节静叶角度。在高炉顶压高时,导致转速不受控制,如果返厂更换、调整,耗费维修成本较大。
3 优化改造“流量控制”启机操作
“流量控制”启机操作工艺:图2。


在原快切阀旁并联增设DN600液动调节阀、DN600电动蝶阀,如图2,做为机组启动调速阀;在机组启机时,快切阀不开启,静叶开10%,用启动阀的开度控制流量来冲转机组。稳定3000r/min后并网,再开快切阀,最后关闭启动阀。用“流量控制”启机,全程透平转速有效可控,未影响高炉顶压和生产,机组振动正常。
4 “流量控制”启机工艺操作实施后的效果
(1)原静叶压力控制改造为原静叶流量控制,机组启机全程转速能有效控制,实现全程自动启机,不影响高炉顶压和正常生产,启机耗时≤30min。改善了启机对高炉生产顺行的影响。
(2)减少透平机开机时间,每次开机减少140分钟左右并网,按每年开机12次计算,每年约可多发电33.6万kWh。折合外购电价约33.6万kWh×0.5元/kWh =16.8万元。
(3)节省开盖返厂更换、调整成本约150万。
5 结语
将该工艺操作进行推广,5#、6#TRT在启机升速过程出现类似情况后,也对其进行了改造,开机过程中,全程透平转速有效可控,不影响高炉顶压和高炉生产。高炉顶压无明显波动,满足高炉冶炼要求。
6 参考文献
[1] TRT顶压稳定技术研究与实践[M].通用机械.机械工业出版社,2006.1.
[2] 机电一体化在TRT中的应用//[C].通用机械.年会论文,1993.
(责任编辑:zgltw)







